商用车转向系统匹配设计(含CAD零件图装配图)

商用车转向系统匹配设计(含CAD零件图装配图)(任务书,开题报告,文献摘要,论文说明书15400字,CAD图7张)
摘 要
本文首先分析国内外商用车转向系统的研究现状和最新的发展趋势,知道相应的商用车转向系统法例、转向系统的设计要求和理论知识,掌握转向系统中关键零部件的构造原理和液压助力系统的构造原理,设计出一部适合于商用车的机械液压助力转向系统,同时详尽介绍了该系统的设计方案、工作原理和优越性。
本文的设计路线是首先制定转向系统参数设计目标并分析,然后对商用车转向系统用到的零部件进行选型,分析其性能特点,计算转向系统的主要性能参数。然后确定动力转向机构的布置方案并计算,了解转向油泵、转向系特性曲线,理解转向曲线的相关参数。分析转向梯形的结构,直到梯形在预定的操纵力条件下满足阻力曲线要求从而完成商用车转向系统的匹配设计。最后确定转向系统的结构原件,得出一套安全性高、实用性强的机械液压助力转向系统。
关键字:商用车;转向系统;匹配设计
Abstract
First, The article summarized the Commercial Vehicle Steering Systems research status and the latest trends both from the aspects of domestic and abroad, then the article stated the relevant laws and regulations of commercial vehicle steering system, requirements of designing steering system, theoretical knowledge of system design steering, plus added with basic principles of key parts of the steering system and basic principles of the hydraulic steering system, [来源:http://www.doc163.com]
According to factors above, the article designed a mechanical hydraulic steering system which will be suitable for commercial vehicle. Meanwhile, it also introduced the design strategy, operating principles and high performance of the system.
The design path of the article is that at first, formulate and analyze the parameter design purpose of Steering Systems, then do model selection of accessories used in steering systems of commercial vehicles, analyze its characteristics, and calculate main performance parameter of steering systems.
Then determine the layout plan and computing power steering mechanism, get to know about the steering pump and the steering system characteristic curve, understand turnaround curve parameters, Analyze the structure of steering trapezoid until at predetermined conditions are met resistance curve control force requirements to complete the commercial vehicle matching system design.
At last, determine the structural master copy of the steering system, thus put up with a set of safest and most practical mechanical hydraulic steering system.
[来源:http://www.doc163.com]
Key Words:Commercial vehicle ;Steering system;Matching design
[资料来源:Doc163.com]





[资料来源:www.doc163.com]
目 录
第1章 绪论……………………………………………………………………………1
1.1 汽车转向系统概况…………………………………………………………….1
1.2 汽车转向系统的发展……………………………………………………….....1
1.3 本课题研究的目的及意义………………………………………………….....2
1.4 本文的主要内容…………………………………………………………….....2 [资料来源:http://www.doc163.com]
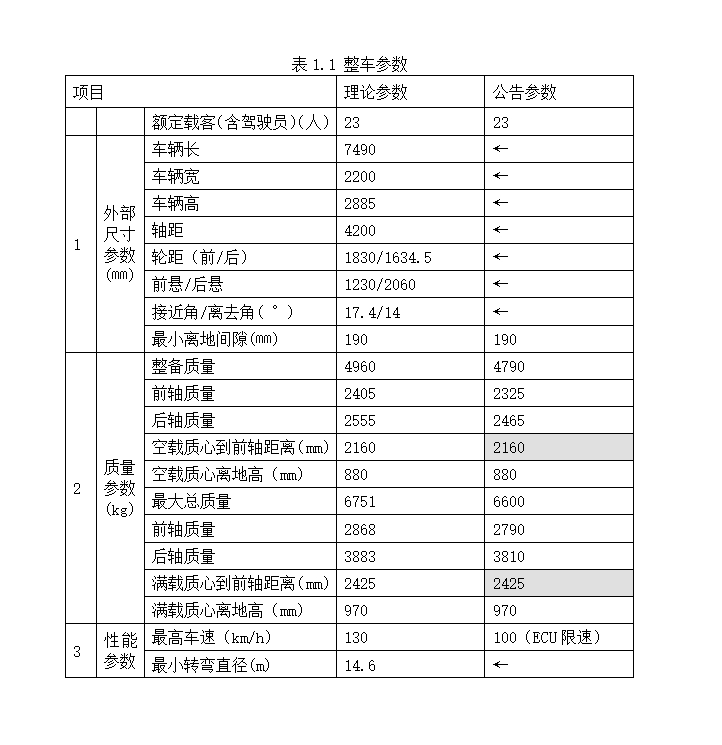
1.5 确定整车参数……………………………………………………………….....2
第2章 转向器的选型与计算…………………………………………………………4
2.1 转向器的选型………………………………………………………………….4
2.1.1 齿轮齿条式转向器………………………………………………………..4
2.1.2 循环球式转向器…………………………………………………………..4
[资料来源:Doc163.com]
2.1.3 蜗杆滚轮式转向器………………………………………………………..4
2.1.4 蜗杆指销式转向器………………………………………………………..5
2.2 循环球式转向器结构………………………………………………………….5
2.3 循环球式转向器工作原理…………………………………………………….5
2.4 循环球式转向器的工作特性………………………………………………….7
2.5 转向器的计算………………………………………………………………….7
[来源:http://Doc163.com]
2.5.1钢球中心距、螺杆外径与螺母内径……………………………………...9
2.5.2 钢球直径和数量…………………………………………………………..9
2.5.3 滚道截面…………………………………………………………………10
2.5.4 接触角……………………………………………………………………10
2.5.5 转向器角传动比…………………………………………………………10 [资料来源:Doc163.com]
2.5.6 工作钢球圈数……………………………………………………………11
2.5.7 导管内径…………………………………………………………………11
2.5.8 齿扇的计算………………………………………………………………11
2.5.9 转向器参数校核…………………………………………………………11
第3章 动力转向机构的选型与计算………………………………………………13
[资料来源:Doc163.com]
3.1 动力转向机构要求…………………………………………………………...13
3.2 分配阀的选型………………………………………………………………...13
3.3 转向泵的选型………………………………………………………………...13
3.4 转向泵结构…………………………………………………………………...13
3.5 转向泵工作原理……………………………………………………………...14 [资料来源:http://doc163.com]
3.5.1 压力安全阀的工作原理…………………………………………………15
3.5.2 流量控制阀的工作原理…………………………………………………15
3.6 转向泵的流量特性…………………………………………………………...16
3.7 动力缸的计算………………………………………………………………...17
3.8 转向泵的计算………………………………………………………………...18
[资料来源:http://Doc163.com]
第4章 转向系统匹配设计计算及校核……………………………………………20
4.1 转向系统概述………………………………………………………………...20
4.2 动力转向系统原理…………………………………………………………...20
4.3 转向系统参数确定…………………………………………………………...21
4.3.1 转向系统传动比确定……………………………………………………21
4.3.2 最小转弯半径和理论转角………………………………………………22
4.3.3 转向力的计算……………………………………………………………23
4.4 转向梯形的设计……………………………………………………………...24
4.4.1 转向梯形的概述…………………………………………………………24
4.4.2 阿克曼理论转向特型……………………………………………………24
4.4.3 确定转向梯形参数………………………………………………………24 [版权所有:http://DOC163.com]
4.4.4 转向梯形优化……………………………………………………………25
4.5 转向系统性能计算…………………………………………………………...28
4.5.1 转向传动波动率计算……………………………………………………28
4.5.2 最大转角与阿克曼率计算………………………………………………29
4.6 转向助力特性校核…………………………………………………………...31 [来源:http://Doc163.com]
4.7 转向直拉杆强度校核………………………………………………………...32
第5章 商用车转向系统CATIA建模………………………………………………33
5.1 CATIA简介……………………………………………………………………33
5.2 转向泵的建模…………………………………………………………….......33
5.3 转向器的建模………………………………………………………………...33 [来源:http://Doc163.com]
5.4 其他零部件的建模…………………………………………………………...33
第6章 总结…………………………………………………………………………36
6.1 整车数据总结………………………………………………………………...36
参考文献……………………………………………………………………………..37
致谢…………………………………………………………………………………..38
[资料来源:http://doc163.com]
[来源:http://Doc163.com]
上一篇:东风雪铁龙爱丽舍手动变速器设计(含CAD图,CATIA三维图)
下一篇:EQ1092F19D型长头柴油载货汽车后悬设计(含CAD图)
