湖北宜城XX镇给水工程设计(含CAD图)

湖北宜城XX镇给水工程设计(含CAD图)(任务书,开题报告,外文翻译,论文说明书30000字,CAD图纸6张)
摘要
本设计的主要内容是进行湖北省宜城县XX镇给水工程设计,其中设计的主要内容为:选择设计规模,给水系统选择,取水泵房设计,净水厂设计,送水泵房设计和给水管网设计和工程概预算。毕业设计成果为设计说明书、计算书和设计图纸。
根据资料,本设计设计规模为近期26万m3/d,远期39万m3/d。设计以汉江为取水水源,采用的给水系统为:水源→取水泵站网格絮凝池平流沉淀池虹吸滤池清水池送水泵房市政管网。选用PAC为混凝剂,消毒方式为液氯消毒。水厂出水水质要求达到生活饮用水卫生标准。
水厂位于宜城县XX镇的西北方向,地面标高为55.00m,水厂占地面积约为50000m2,其中绿化面积约为25%,附属面积越占总面积的25%。
关键词宜城县城关镇,给水工程,市政管网,泵站,水厂
Abstract
The main contents of this design are the design of water supply engineering in Chengguan Town, Yicheng County, Hubei Province. The main contents of the design are: design scale, water supply system selection, water pump house design, water plant design, water pump house design and water supply Pipe network design and engineering budget. Graduation design results for the design specifications, calculations and design drawings.
According to the information, the design design scale for the recent 260,000 m3 / d, long-term 39 million m3 / d. Designed to the Han River for the water source, the use of water supply system: water → water pumping station grid flocculation pool advection sedimentation pond siphon filter pool water pump city management network. Selection of PAC as coagulant, disinfection method for liquid chlorine disinfection. Water quality of the water plant to meet the drinking water health standards.
Water plant is located in Yicheng County town of the northwest direction, the ground elevation of 55.00m, the water plant covers an area of about 50000m2, of which about 25% green area, the attached area of the total area of 25%.
Key words:Yicheng County Chengguan Town,;water supply project,;municipal pipe network,;pumping station; water plant
[资料来源:https://www.doc163.com]




[资料来源:http://doc163.com] 
目录
摘要 1
第1章 概述 3
1.1 设计依据 3
1.2设计范围 3
1.3设计规模 3
1.4 设计指导思想 3
1.5 主要收获和问题 4
第2章 设计原始资料 4
2.1城市规划简述 4
2.1.1城市概况 4
2.1.2城市用水资料 4
2.2自然条件 5
2.2.1地理位置 5
2.2.2 气象资料 5
2.2.3工程地质与地震资料 5
2.2.4 汉江水文资料 6
第3章 设计方案的比较和选择 6
3.1设计方案的拟定 6
3.2取水工程 7
[资料来源:www.doc163.com]
3.2.1取水构筑物类型及特点 7
3.2.2地表水取水构筑物选择依据 8
3.3净水工程 8
3.3.1絮凝池 8
4.1取水位置的选择 9
远期设计流量: 11
5.4混合设备系统 15
5.5.4絮凝区设计 16
5.7.3管道设计 18
第二篇 计算说明书 23
第1章 用水量计算 23
1.1 最高日设计用水量 23
1.1.1 居住区综合生活最高日用水量 23
1.1.2工业企业生产最高日用水量 24
1.1.3浇洒道路和绿地最高日用水量 24
1.1.4管网漏失最高日用水量 25
1.1.5最高日总用水量 25
近期为: 25
远期为: 25
(由于缺乏远期的设计资料,故远期的用水量按近期的1.5倍计算)。 25
1.2最高日最高时设计用水量 25 [资料来源:www.doc163.com]
1.3消防时用水量 25
1.4事故时用水量 25
1.5各部分构筑物设计规模 25
第2章 取水工程 26
2.1 进水室设计计算 26
2.1.1 设计流量 26
2.1.2格栅 26
2.1.3 吸水室设计 27
2.1.4高程计算 29
2.2取水泵站 29
2.2.2 设计流量和扬程 29
2.2.3水泵和电机的初选 30
2.2.3吸水管计算 31
2.2.4 压水管路 32
2.2.6水泵最大安装高度计算 33
2.2.7水泵机组基础尺寸计算 34
2.2.8高程计算 35
2.2.9配套设备 35
第3章 净水厂设计计算 38
3.1加药系统 38
3.1.1混凝剂的选择 38
3.1.2投药系统计算 39
3.1.3溶解池附属设备 40
[资料来源:Doc163.com]
3.1.4加药间及药库 41
3.2加氯间的设计计算 42
3.2.1设计参数 42
3.2.2设计计算 42
3.3混合设备系统 43
(2)混合单元数 44
(3)混合时间 44
(4)水头损失 44
(5)校核GT值 44
3.4网格絮凝池 44
出水管管径的确定: 45
3.4.3各絮凝区设计计算 46
3.4.5竖井隔墙孔洞尺寸 47
3.4.6水头损失 47
3.5平流式沉淀池 50
3.5.1设计参数 50
3.5.2平流沉淀池尺寸 50
3.5.3穿孔布水墙 51
3.5.4 集水系统 52
3.5.5排泥设施 53
3.5.6放空管 54
3.5.7 水力条件校核 54
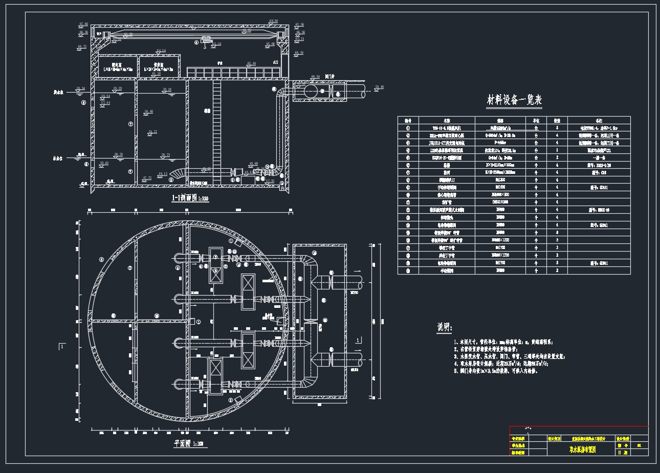
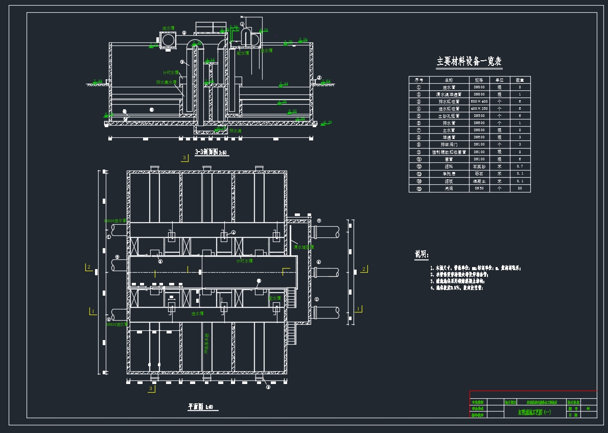
3.6虹吸滤池 55
3.6.1设计参数 55 [版权所有:http://DOC163.com]
3.6.2滤池面积计算 55
3.6.3进水虹吸管 55
3.6.4进水槽和配水槽 57
3.6.5各种流量下的配水堰堰上水头 57
3.6.6清水渠及清水出水堰 58
3.9送水泵站 62
3.9.1 主要设计资料 62
3.9.2设计扬程的估算 63
3.9.6泵房布置 66
6 工程概算 72
5.1.2单项工程造价 73
(5) 管理费用、销售费用和其他费用E5 75
6.2.3 效益分析 75
[来源:http://www.doc163.com]
