三跨(50+80+50m)预应力混凝土连续梁桥设计(含CAD图,Midas模型)

三跨(50+80+50m)预应力混凝土连续梁桥设计(含CAD图,Midas模型)(任务书,开题报告,外文翻译,论文计算书16400字,CAD图11张,Midas模型)
摘要
近年来,预应力混凝土连续梁桥由于其跨越能力大、施工方法灵活、适应性强、结构刚度大、抗地震能力强、通车平顺性好以及造型美观等特点,在国内越来越得到广泛的应用。论文设计的是江苏锡澄大桥右幅,位于沪宁高速公路江苏境无锡段,锡山堰侨乡与前州乡的交界处,跨锡澄运河,河道宽55~70m,水深5~5.5m。本桥主跨采用50+80+50m悬臂浇筑预应力混凝土变截面连续箱梁,主梁施工采用悬臂挂篮施工,对称平衡浇筑混凝土。
关键词:设计 连续梁桥 悬臂施工 预应力
Abstract
In recent years, the prestressed concrete continuous girder bridge has been widely used in China because of its large capacity, flexible construction method, strong adaptability, strong structural rigidity, strong earthquake resistance, good ride comfort and beautiful appearance. Applications. The design of the paper is the right frame of Jiangsu Xicheng Bridge, located at the junction of Shanghai-Wuxi Expressway in Jiangsu Province, Xishan Weishang Township and Qianzhou Township, across the Xicheng Canal, the width of the river is 55 ~ 70m and the water depth is 5 ~ 5.5m. The main span of the bridge is 50 + 80+ 50m cantilever pouring prestressed concrete variable cross section continuous box girder, the main girder is constructed by cantilever basket construction, symmetrical balance pouring concrete.
【Key Words】design; continuous bridge; the cantilever; prestress
2.1工程概况
该设计桥梁为江苏锡澄大桥右幅。设计荷载:公路-I级,人群3.5kN/m2; 桥梁全宽36.0m;主桥长为180m,为三跨预应力混凝土连续梁桥,每跨的跨径可根据桥位实际情况进行合理选择。
2.2技术标准
(1)路线道路等级: 城市主干道
(2)行车道数:双向6车道
(3)桥梁宽度:桥面宽36m
(4)桥梁设计荷载:公路-I级
(5)设计速度:60km/h
(6)地震烈度:地震基本烈度为7度
(7)桥面铺装:设计总厚度18cm,其中水泥混凝土厚度8cm,沥青混凝土厚度10cm,两者之间加设防水层。
2.3主要工程材料
2.3.1 混凝土
(1)上部结构:预应力混凝土箱梁:C50混凝土 防撞护栏、中央隔离栏:C30混凝土 桥面混凝土调平层:C40玻璃纤维混凝土
(2)下部结构:墩身C40,盖梁、台帽、挡块、承台、桥头搭板:C30混凝土 桩基础:C25混凝土
(3)附属结构:支座垫块:C30混凝土 伸缩缝: C4 钢纤维混凝土
2.3.2 钢材
(1) 预应力钢筋: 采用高强低松弛钢绞线,单根钢绞线直径为 15.24mm,面积A=140mm ,标准强度 =1860MPa,弹性模量 =1.95 MPa。
[来源:http://Doc163.com]
(2) 普通钢筋:采用HRB235,HRB335,HRB400钢筋。
[版权所有:http://DOC163.com]









[版权所有:http://DOC163.com]
目录
第一章 绪论 - 1 -
1.1 桥梁设计的基本原则和要求 - 1 -
1.1.1使用上的要求 - 1 -
1.1.2经济上的要求 - 1 -
1.1.3设计上的要求 - 1 -
1.1.4施工上的要求 - 1 -
1.1.5美观上的要求 - 1 -
第二章 设计原始资料 - 2 -
2.1工程概况 - 2 -
2.2技术标准 - 2 -
2.3主要工程材料 - 2 -
2.3.1 混凝土 - 2 -
2.3.2 钢材 - 2 -
第三章 桥跨总体布置及结构尺寸拟定 - 3 -
3.1 尺寸拟定 - 3 -
3.1.1 桥孔分跨 - 3 -
3.1.2 截面形式 - 3 -
3.1.3 梁高 - 4 -
3.1.4 细部尺寸 - 4 -
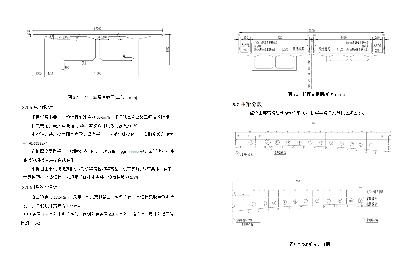
3.1.5纵向设计 - 6 -
3.1.6横桥向设计 - 6 -
3.2主梁分段 - 7 - [资料来源:http://doc163.com]
第四章 恒载内力计算 - 9 -
4.1恒载内力计算 - 9 -
4.1.1计算方法 - 9 -
4.1.2恒载内力计算结果 - 9 -
4.1.3 总恒载效应计算 - 10 -
4.2弯矩折减 - 11 -
第五章 活载内力计算 - 13 -
5.1 移动荷载内力计算 - 13 -
5.1.1 横向分布系数的考虑 - 13 -
5.1.2冲击系数 - 13 -
5.1.3 车道折减系数 - 14 -
5.2 最大、最小弯矩及其对应的剪力计算 - 15 -
5.2.1 弯矩影响线 - 15 -
5.2.2 内力计算 - 17 -
5.3 最大、最小剪力计算 - 18 -
5.3.1 剪力影响线 - 18 -
5.3.2 内力计算 - 21 -
第六章 次内力计算 - 22 -
6.1 温度次内力计算 - 22 -
6.1.1 温度计算模式 - 22 - [资料来源:https://www.doc163.com]
6.1.2 计算原理 - 22 -
6.1.3 升温计算 - 23 -
6.1.4 降温计算 - 23 -
6.1.5 升温梯度计算 - 25 -
6.1.6 降温梯度计算 - 26 -
6.1.7 温度次内力汇总 - 27 -
6.2 支座沉降次内力计算 - 28 -
6.2.1 沉降计算参数 - 28 -
6.2.2 沉降次内力汇总 - 28 -
第七章 内力组合及内力包络图 - 30 -
7.1 短期效应组合 - 30 -
7.2 长期组合 - 31 -
7.3 基本组合 - 32 -
7.4 包络图 - 33 -
第八章 预应力筋的计算与布置 - 36 -
8.1 预应力钢束的估算与布置 - 36 -
8.1.1 计算原理 - 36 -
8.2.2 按正常使用极限状态抗裂性要求估算 - 40 -
8.3 钢束布置 - 45 -
8.3.1 翼缘有效宽度的计算 - 45 - [资料来源:www.doc163.com]
8.3.2 实际配束计算 - 45 -
8.3.4 立面及平面布筋 - 49 -
第九章 净截面及换算截面几何特性计算 - 50 -
9.1 概述 - 50 -
9.2 净截面几何性质计算 - 50 -
9.2.1 计算方法 - 50 -
9.2.2 表格计算 - 51 -
9.3 换算截面性质计算 - 53 -
9.3.1 计算方法 - 53 -
9.3.2 表格计算 - 53 -
第十章 预应力损失及有效预应力计算 - 55 -
10.1 控制应力及有关参数计算 - 55 -
10.1.1 控制应力 - 55 -
10.1.2 其他参数 - 55 -
10.2 摩擦损失 - 55 -
10.2.1 预应力钢束的分类 - 55 -
10.2.2 计算 - 56 -
10.3 锚具回缩损失 - 56 -
10.3.1 计算方法及参数 - 56 -
10.3.2 计算 - 57 - [资料来源:https://www.doc163.com]
10.4 弹性压缩损失 - 58 -
10.4.1 原理及方法 - 58 -
10.4.2 计算 - 58 -
10.5应力松弛损失 - 58 -
10.5.1计算方法 - 58 -
10.5.2应力松弛损失 的计算 - 59 -
10.6收缩徐变损失 - 59 -
10.6.1计算公式 - 59 -
10.6.2混凝土收缩徐变损失 计算 - 60 -
10.7预应力损失组合及有效预应力计算 - 60 -
第十一章 承载能力极限状态验算 - 68 -
11.1 正截面承载力验算 - 68 -
11.1.1 受压区有效分布宽度的确定 - 68 -
11.1.2 正截面强度计算与验算 - 69 -
11.2 斜截面抗剪承载力验算 - 73 -
第十二章 正常使用极限状态验算 - 76 -
12.1 抗裂验算 - 76 -
12.1.1 正截面抗裂性验算 - 76 -
第十三章 持久状况和短暂状况应力验算 - 79 -
13.1 持久状况截面混凝土法向应力验算 - 79 -
13.1.1 混凝土法向应力验算 - 79 -
13.2 短暂状态应力验算 - 79 -
13.2.1混凝土法向应力验算 - 79 -
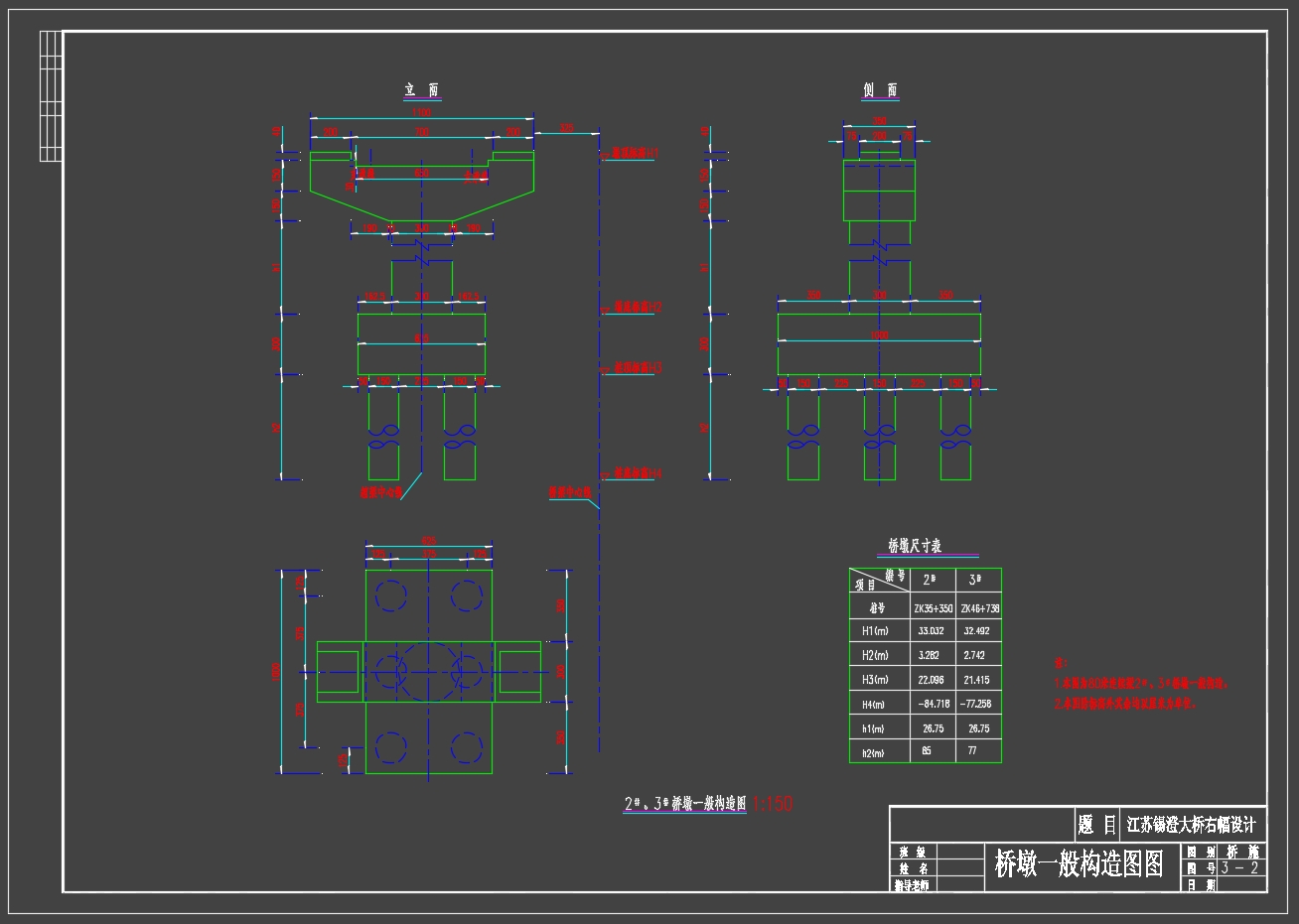
第十四章 墩及桩基础设计与计算 - 82 -
14.1 支座 - 82 -
14.1.1 支座选择 - 82 -
14.2 墩身设计与验算 - 83 -
14.2.1 横桥向及顺桥向尺寸 - 83 -
14.2.2 墩身验算 - 84 -
14.3 承台设计 - 85 -
14.4 桩基础设计 - 85 -
参考文献 - 88 -
致谢 - 89 - [资料来源:www.doc163.com]
上一篇:三跨不等跨50m+72m+50m江苏某连续梁桥设计(含CAD图,Midas模型)
