智能家居—通讯与后台模块开发

智能家居—通讯与后台模块开发(任务书,开题报告,外文翻译,论文17000字)
摘要
现代电子电工技术,自动化技术及通信网络技术高速发展,智能家居这个概念就在社会的需求下提了出来,智能家居系统是科技发展到一定阶段的产物。它能够通过一款类似手机APP的产品远程监测并管理家电设备,通过枪机型摄像头可以对住所内外环境的安全进行实时监控,如有移动物体闯入即刻报警,通过这么一个方案为居民提供安全,安心可靠的学习,工作及生活环境。智能化的家居系统通过无线和有线的网络通信方式将家中通电设备和安全监测设备连接到一个网络中,通过数据采集器收集这些设备的状态参数,有一场会反馈到户主手中,同时户主通过本系统可以在外管理和查看住宅,以保证住宅的安全。所以家庭有了智能家居这个系统,不仅具备传统的居住能力,而且会将传统静止的居住的环境变得智能化,前端摄像头变得有判断力,从而安全保障家居设备的安全和财物的安全,并能同时提供高品位生活环境。智能家居系统会是以后家居设计的首选。
家居智能化的发展经历了三个阶段:
第一阶段是家庭电子设备普及化阶段,这个阶段电器设备各自独立,不能组网,之间没有很大的关联。
第二阶段是家庭设备自动化阶段,这个阶段是电器设备实现了自动功能的阶段,但只是面向单一的功能,比如自己控制开关。部分家用电器之间能组网,一些电器之间有一定的关联性。
第三个阶段是家居智能化(Smart Home or Wise House)阶段,这个阶段智能家居系统实现了将家中所有通电设备的信息收集在一起,集中管理,控制。系统通过有线或者无线的方式将家中电子设备、通信设备和安保装置连接到一个网络中以便集中控制,从而保持家电的安全,提供了居室的优质服务,营造一种安心,放心的家庭氛围。
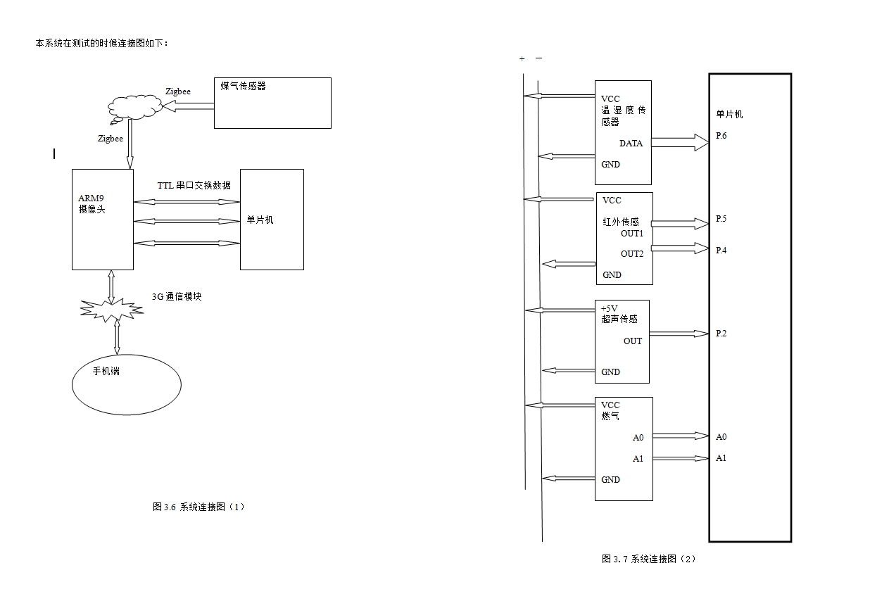
本项目的主要任务是实现对住宅的监控,有可疑情况及时报警这个功能。大体分为模块。第一个模块:先处理摄像头拍摄到的可疑图片,获取其中的特征值,然后通过神经网络进一步分析特征值,提高监控的质量,并将分析后的结果保存至服务器。第二个模块:后台服务器及和客户端之间通信的搭建。服务器能够保存实时数据,并且和客户端以及前端之间的通信能够适合各种环境(无线,有线)。第三个模块:客户端的手机APP,用户可以通过手机端查看家中主要是家电设备安全情况,并能及时获得报警信息。
本文主要介绍是第二个模块,后台服务器和前端APP通信平台的搭建,通讯模块包括各种传感器之间,手机客户端等。关键点以及难点是实现在不同平台,不同编程语言,不同环境,不同传输介质下都能通讯。
[资料来源:https://www.doc163.com]
关键词:socket通讯 ZigBee传输 3G传输 硬件平台。
Smart home - Communication and background module development
Abstract
Smart home is a combination of modern electronic technology, automation technology and communication technology. It can control and manage the home appliance automatically, monitor and alarm the safety of the home environment, and provide safe and comfortable, convenient and efficient learning and working environment for the residents.. Intelligent home system will family in various information and related communications equipment, household appliances and home security devices through wired or wireless connected, and centralized or remote monitoring, management, keep the house environment comfortable, coordinated. Compared with the ordinary home, smart home not only has the traditional functions of living, with warm and comfortable, safe and efficient high quality living environment, will also a passive and still living environment to promote a has some wisdom to help the ability of caring life helper, further optimizing households quality of life. [资料来源:https://www.doc163.com]
Smart home development is divided into three stages:
The first is the home electron stage, this period is mainly for individual appliances, home appliances and there is no network, nor a big link.
Followed by the home automation stage, this period is function oriented stage, between a part of household electrical appliances formed simple network, mainly in order to achieve a particular single function, such as single automatic meter reading function.
Finally, intelligent home (Europe as the smart home, the United States, said as the wise house) stage, this period is oriented system design phase, system through the family distribution bus to house various information and related communications equipment, household appliances, alarm device and network node in centralized monitoring and management, keep the appliance and the environment coordination, life, work, study and entertainment quality service, and create a a warm and comfortable family atmosphere.
The main task of the project is to achieve the monitoring of residential, suspicious circumstances warning this feature. Roughly three models. The first model: the first processing camera shooting to the suspicious images, access to the characteristic value, then the neural network further analysis the characteristic value, improve the monitoring quality, and analysis results are saved to the database. The second model: the background, the database and inter client communication structures, the database can save streaming video and pictures, the communication between the client and can suitable for various environments (wireless and wired). The third model: mobile client app, users can search by the end of the phone housekeeping in, and can receive timely alarm information. [资料来源:Doc163.com]
This paper mainly introduces second model, the background and the database, and socket communication module including various sensors, mobile client, etc.. The key points can be realized in the communication in different circumstances.
Keywords: socket communication, wireless transmission, 3Gtransmission,hardware platform
[资料来源:http://www.doc163.com]


目录
摘要 I
Abstract III
第一章 绪论 1
1.1本项目背景、目的和意义 1
1.2论文安排介绍 2
第二章SOCKET网络编程 4
2.1 Socket网络编程的介绍 4
2.1.1 Socket网络编程的详细介绍 4
2. 1. 2 Socket网络编程的特点 5
2.2 Socket网络编程的基本模型 6
2.2.1 客户端模型 8
2.3不同操作系统下的网络编程 11
[资料来源:http://Doc163.com]
2.3.1 Windows Sockets 11
2.3.2 Linux Socket网络编程 14
2.3.3 Android Socket编程 15
2.4本章小结 15
第三章 系统硬件与系统通信 16
3.1硬件的介绍 16
3.2硬件平台搭建 18
3.3通信的概念及发展 21
3.3.1通信的基本方式 21
3.3.2 3G通信模块 22
3.3.3 ZigBee通信模块 25
3.4本章小结 27
第四章 系统测试 28
4.1系统测试的意义 28
4.2系统测试的过程 28
结束语 30
参考文献 31
致谢 33
[资料来源:http://www.doc163.com]
